Магазин запчастей для бытовой техники - Arlos
Москва
close
Выберите ваш регион
АбаканАлександровАльметьевскАнгарскАрзамасАрмавирАртемАрхангельскАстраханьАчинскБалаковоБалашихаБеларусьБелгородБердскБерезникиБийскБлаговещенскБратскБрянскВеликий НовгородВидноеВладивостокВладикавказВладимирВолгоградВолгодонскВолжскийВологдаВолховВоркутаВоронежВоскресенскВыборгГатчинаГеленджикГрозныйДедовскДербентДзержинскДзержинскийДимитровградДмитровДолгопрудныйДомодедовоДонецкЕвпаторияЕгорьевскЕкатеринбургЕлецЕссентукиЖелезногорскЖелезнодорожныйЖуковскийЗеленоградЗлатоустИвановоИвантеевкаИжевскИркутскИстраЙошкар-ОлаКазаньКалининградКалугаКаменск-УральскийКамышинКаспийскКемеровоКерчьКировКисловодскКлинКовровКоломнаКомсомольск-на-АмуреКопейскКоролёвКостромаКотельникиКрасногорскКраснодарКраснознаменскКрасноярскКурганКурскКызылЛенинск-КузнецкийЛипецкЛобняЛыткариноЛюберцыМагнитогорскМайкопМалаховкаМахачкалаМиассМоскваМурманскМуромМытищиНабережные ЧелныНазраньНальчикНаро-ФоминскНахабиноНаходкаНевинномысскНефтекамскНефтеюганскНижневартовскНижнекамскНижний НовгородНижний ТагилНовокузнецкНовокуйбышевскНовомосковскНовороссийскНовосибирскНовоуральскНовочебоксарскНовочеркасскНовошахтинскНовый УренгойНогинскНорильскНоябрьскОбнинскОдинцовоОктябрьскийОмскОрелОренбургОрехово-ЗуевоОрскПавловский ПосадПензаПервоуральскПермьПетрозаводскПетропавловск-КамчатскийПодольскПрокопьевскПсковПушкиноПятигорскРаменскоеРеутовРостов-на-ДонуРубцовскРыбинскРязаньСакиСалаватСамараСанкт-ПетербургСаранскСаратовСевастопольСеверодвинскСеверскСергиев ПосадСерпуховСимферопольСмоленскСосновый БорСочиСтавропольСтарый ОсколСтерлитамакСтупиноСургутСызраньСыктывкарТаганрогТамбовТверьТихвинТольяттиТомилиноТомскТроицкТулаТюменьУлан-УдэУльяновскУссурийскУсть-ИлимскУфаУхтаФеодосияФрязиноХабаровскХанты-МансийскХасавюртХимкиЧебоксарыЧелябинскЧереповецЧеркесскЧеховЧитаШахтыЩелковоЭлектростальЭлистаЭнгельсЮжно-СахалинскЯкутскЯлтаЯрославль
  • - бесплатно по РФ
    Автоперезвон. Работает по принципу: Вы позвонили на номер, мы сбрасываем звонок и перезваниваем через 3 секунды.
  • - по Москве
  • 8 (925) 663-83-63

Call-центр

пн-вс: 10:00-19:00

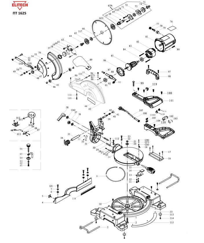
ЗАПЧАСТИ ДЛЯ ПИЛЫ ТОРЦОВОЧНОЙ ЭЛЕКТРИЧЕСКОЙ ELITECH ПТ 1625

NАртикулНазваниеСрок отгрузкиЦенаКупить
01 1105.071900 Винт
1 1105.060300 Основание
02 1105.072000 Шайба пружинная
2 1105.060400 Винт
03 1105.072100 Шайба
3 1105.060500 Опора заготовки
04 1105.072200 Пятка прижимная
4 1105.060600 Упор 471 р.
05 1105.072300 Струбцина
5 1105.048000 Винт барашковый
06 1105.072400 Винт струбцины
6 1105.060700 Шайба
07 1105.072500 Винт
7 1105.060800 Шайба пружинная
08 1105.072600 Винт
8 1105.060900 Сегмент (стальной)
09 1105.072700 Корпус лазера. 92552EL0009. ПТ 1625 481 р.
010 1105.072800 Головка лазерная
10 1105.061000 Винт
011 1105.072900 Трансформатор ,92552ЕL0011 637 р.
11 1105.061100 Винт
012 1105.073000 Винт
12 1105.061200 Шайба пружинная
013 1105.073100 Коннектор
13 1105.061300 Скоба
014 1105.072801 Головка лазерная в сборе с трансформатором (вкл. поз.09,010,011) 706 р.
14 1105.061400 Накладка
15 1105.061500 Рукоятка
16 1105.061600 Отражатель ,92552Е0016 192 р.
17 1105.061700 Винт
18 1105.061800 Указатель
19 1105.055800 Винт
20 1105.061900 Шайба
21 1105.062000 Гайка
22 1105.062100 Гайка
23 1105.062200 Винт
24 1105.062300 Стол
25 1105.062400 Указатель
26 1105.062500 Шайба
27 1105.062600 Шайба пружинная
28 1105.062700 Винт
29 1105.062800 Винт
30 1105.062900 Винт
31 1105.063000 Суппорт
32 1105.063100 Шкала
33 1105.063200 Заклепка
34 1105.063300 Пружина
35 1105.063400 Ось
36 1105.063500 Шайба
37 1105.063600 Гайка
38 1105.063700 Рукоятка фиксирующая
39 1105.063800 Штифт стопорный
40 1105.063900 Пружина
41 1105.064000 Рукоятка
42 1105.064100 Штифт
43 1105.064200 Кожух защитный
44 1105.064300 Табличка маркировочная
45 1105.064400 Ролик ,92552Е0045 145 р.
46 1105.064500 Кольцо стопорное 92552E0046 ПТ1625 : D 9.92 48 р.
47 1105.064600 Шайба упорная. 92552E0047. ПТ 1625 167 р.
48 1105.064700 Гайка
49 1105.064800 Винт
50 1105.064900 Шайба фланцевая
51 1105.065000 Ролик
52 1105.065100 Рейка соединительная 92552E0052 ПТ1625 133 р.
53 1105.065200 Винт
54 1105.065300 Кронштейн подвижного кожуха. 92552E0054. ПТ 1625 308 р.
55 1105.065400 Винт
56 1105.065500 Кожух защитный подвижный
57 1105.065600 Пружина
58 1105.065700 Шайба. 92552E0058. ПТ1625 42 р.
59 1105.065800 Подушка резиновая. 92552E0059 ПТ1625 44 р.
60 1105.065900 Винт
61 1105.066000 Пластина. 92552E0061 ПТ1625 219 р.
62 1105.066100 Винт
63 1105.066200 Винт
64 1105.066300 Винт
65 1105.066400 Фланец прижимной внешний
66 1105.066500 Диск пильный
67 1105.066600 Вал диска
67А 1105.066601 Редуктор в сборе. ПТ 1625 1.920 р.
68 1105.066700 Шпонка
69 1105.066800 Винт
70 1105.066900 Крышка подшипника
71 1105.067000 Подшипник
72 1105.067100 Седло подшипника
73 1105.067200 Шестерня 287 р.
74 1105.067300 Кольцо стопорное
75 1105.067400 Подшипник игольчатый
76 1105.067500 Табличка маркировочная
77 1105.067600 Заглушка щеткодержателя 2шт.ПТ1625 , 92552E0077 72 р.
78 1105.142500 Щетка угольная (комплект 2 шт) 290 р.
78 1105.067700 Щетки, 2шт. 92552E0078. ПТ 1625. СМ.1105.042900.083000.142500.114200.100200.026200.1101.027200 297 р.
78 1105.114200 Щетки, 2шт. 92559Е-0096. ПТК 1625. СМ.1105.042900.083000.142500.067700.100200.026200.1101.027200 215 р.
78 1105.100200 Щетки, 2шт. ПТ 2030К. СМ.1105.042900.083000.142500.067700.114200.026200.1101.027200 219 р.
79 1105.067800 Щеткодержатель. 92552Е0079. СМ. 1105.083100 1105.100300 153 р.
80 1105.067900 Винт
81 1105.068000 Корпус двигателя 92552Е0081 ПТ1625 аналог: 1105.100400, 1105.083400 691 р.
82 1105.100500 Статор ПТ2030К, 93054А-0116 2.798 р.
83 1105.068200 Винт
84 1105.068300 Подшипник
85 1105.100800 Ротор ПТ2030К см 1105.068400 1105.083800 1105.113700 3.167 р.
86 1105.068500 Дефлектор
87 1105.068600 Пружина
88 1105.068700 Фиксатор ротора ,92552Е0088 129 р.
89 1105.054000 Мешок пылесборный
90 1105.068800 Винт
91 1105.068900 Амортизатор (резиновый)
92 1105.069000 Подшипник
93 1105.069100 Накладка фиксатора ротора
94 1105.069200 Шайба
95 1105.069300 Шайба
96 1105.069400 Винт
97 1105.069500 Винт
98 1105.069600 Рукоятка
99 1105.069700 Винт
100 1105.069800 Винт
101 1105.069900 Рукоятка верхняя
102 1105.070000 Кнопка выключателя
103 1105.070100 Выключатель FA2-10/1W-B1. 92552E0103. ПТ 1625 303 р.
104 1105.070200 Рукоятка нижняя
105 1105.070300 Зажим провода
106 1105.070400 Изолятор кабеля сетевого
107 1105.070500 Кабель сетевой в сборе с вилкой
108 1105.070600 Конденсатор
109 1105.070700 Винт
110 1105.070800 Гайка
111 1105.070900 Втулка
112 1105.071000 Винт
113 1105.071100 Опора (резиновая)
114 1105.071200 Винт
115 1105.071300 Шкала основания
116 1105.071400 Индуктивность
117 1105.071500 Шайба диска
118 1105.071600 Шкала упора
119 0103.006300 Выключатель лазера 215 р.
119 1105.071700 Выключатель лазера
120 1105.071800 Винт
Найдено товаров: 138
1
▲ Наверх
0
8 (925) 663-83-63

Call-центр

пн-вс: 10:00-19:00

НАЙТИ ПО МОДЕЛИ
Введите номер заказа
Введите номер своего заказа, что бы узнать его текущий статус.
Что бы получить доступ к расширенным функциям, пройдите не сложную регистрацию. Зарегистрироваться