Магазин запчастей для бытовой техники - Arlos
Москва
close
Выберите ваш регион
АбаканАлександровАльметьевскАнгарскАрзамасАрмавирАртемАрхангельскАстраханьАчинскБалаковоБалашихаБеларусьБелгородБердскБерезникиБийскБлаговещенскБратскБрянскВеликий НовгородВидноеВладивостокВладикавказВладимирВолгоградВолгодонскВолжскийВологдаВолховВоркутаВоронежВоскресенскВыборгГатчинаГеленджикГрозныйДедовскДербентДзержинскДзержинскийДимитровградДмитровДолгопрудныйДомодедовоДонецкЕвпаторияЕгорьевскЕкатеринбургЕлецЕссентукиЖелезногорскЖелезнодорожныйЖуковскийЗеленоградЗлатоустИвановоИвантеевкаИжевскИркутскИстраЙошкар-ОлаКазаньКалининградКалугаКаменск-УральскийКамышинКаспийскКемеровоКерчьКировКисловодскКлинКовровКоломнаКомсомольск-на-АмуреКопейскКоролёвКостромаКотельникиКрасногорскКраснодарКраснознаменскКрасноярскКурганКурскКызылЛенинск-КузнецкийЛипецкЛобняЛыткариноЛюберцыМагнитогорскМайкопМалаховкаМахачкалаМиассМоскваМурманскМуромМытищиНабережные ЧелныНазраньНальчикНаро-ФоминскНахабиноНаходкаНевинномысскНефтекамскНефтеюганскНижневартовскНижнекамскНижний НовгородНижний ТагилНовокузнецкНовокуйбышевскНовомосковскНовороссийскНовосибирскНовоуральскНовочебоксарскНовочеркасскНовошахтинскНовый УренгойНогинскНорильскНоябрьскОбнинскОдинцовоОктябрьскийОмскОрелОренбургОрехово-ЗуевоОрскПавловский ПосадПензаПервоуральскПермьПетрозаводскПетропавловск-КамчатскийПодольскПрокопьевскПсковПушкиноПятигорскРаменскоеРеутовРостов-на-ДонуРубцовскРыбинскРязаньСакиСалаватСамараСанкт-ПетербургСаранскСаратовСевастопольСеверодвинскСеверскСергиев ПосадСерпуховСимферопольСмоленскСосновый БорСочиСтавропольСтарый ОсколСтерлитамакСтупиноСургутСызраньСыктывкарТаганрогТамбовТверьТихвинТольяттиТомилиноТомскТроицкТулаТюменьУлан-УдэУльяновскУссурийскУсть-ИлимскУфаУхтаФеодосияФрязиноХабаровскХанты-МансийскХасавюртХимкиЧебоксарыЧелябинскЧереповецЧеркесскЧеховЧитаШахтыЩелковоЭлектростальЭлистаЭнгельсЮжно-СахалинскЯкутскЯлтаЯрославль
  • - бесплатно по РФ
    Автоперезвон. Работает по принципу: Вы позвонили на номер, мы сбрасываем звонок и перезваниваем через 3 секунды.
  • - по Москве
  • 8 (925) 663-83-63

Call-центр

пн-вс: 10:00-19:00

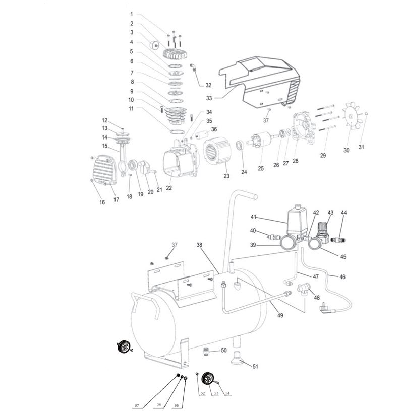
ЗАПЧАСТИ ДЛЯ КОМПРЕССОРА ПОРШНЕВОГО ELITECH КПБ 220/50 (2019 ГОД)

NАртикулНазваниеСрок отгрузкиЦенаКупить
1 0701.150100 Болт фланцевый M6х55 мм
2 0701.074100 Головка цилиндра
3 0701.148800 Фильтр воздушный. GPW- F L 50 -003. КПБ 220/50 2019 121 р.
4 0701.021800 Прокладка головки цилиндра 63х73-4отвх7-42х42-перекладина 20 р.
5 0701.020900 Плита клапанная 360 р.
6 0701.021000 Пластина клапанная впуск/вып 10х47х0,3 (две) см.4105207, см. 0701.050900, 0701.010600 145 р.
7 0701.021100 Прокладка плиты клапанной средняя алюмин. 19х51х73х58х58-4отвхСМ0701.051000 394 р.
8 0701.051200 Прокладка плиты клапанной нижняя. 51х73-4отвх6-46х46. КПМ 200.360 240 р.
9 0701.148700 Цилиндр. GPW- F L 50 -009. КПБ 220/50 2019 817 р.
10 0701.074700 Болт M8х25 мм
11 0701.022000 Прокладка цилиндра D64-2уха-х8 20 р.
12 0701.150150 Болт М6х20. GPW- F L 50 -012. КПБ 220/50 2019 48 р.
13 0701.148100 Крышка поршня. GPW- F L 50 -013. КПБ 220/50 2019 121 р.
14 0701.070050 Кольцо поршня КПБ190/6, КПБ160 341 р.
15 0701.148150 Шатун-поршень. GPW- F L 50 -015. КПБ 220/50 2019 408 р.
16 1500.005600 Болт
17 0701.148750 Крышка картера. GPW- F L 50 -017. КПБ 220/50 2019 264 р.
18 0701.149150 Болт M5х20 мм
19 0701.149200 Подшипник шариковый 6204-V
20 0701.148200 Коленвал. GPW- F L 50 -020. КПБ 220/50 2019 720 р.
21 0701.149250 Винт M8х30 мм
22 0701.148250 Картер. GPW- F L 50 -022. КПБ 220/50 2019 1.560 р.
23 0701.148300 Статор, 127х127х60, d64. КПБ 220/50 2019 4.704 р.
24 0701.149300 Подшипник шариковый 6204-2RS
25 0701.148350 Ротор
26 0701.149350 Подшипник шариковый 6202-2RS
27 0701.149400 Шайба волнистая
28 0701.148400 Кронштейн двигателя. GPW- F L 50 -028. КПБ 220/50 2019 481 р.
29 0701.149100 Болт M5х95 мм
30 0701.148450 Крыльчатка, D150х12.1х13.4. GPW- F L 50 -030. КПБ 220/50 2019. СМ.0701.075900 118 р.
31 0701.044010 Кольцо стопорное для вала D14, H1. КПМ 300 24 Промо (E0503.003.00) 2019 37 р.
32 0701.020800 Фитинг угольник(СМОТРИ 0701.011200) R3/8"-G3/8"=d16,662/Р1,337/19--30-M-M 110 р.
33 0701.148500 Кожух. GPW- F L 50 -033. КПБ 220/50 2019 360 р.
34 0701.149450 Гайка M8
35 0701.149500 Шайба зубчатая D.8 мм
36 0701.011600 Конденсатор СВВ60 35?F/450В 413 р.
37 0701.149650 Болт фланцевый M5х14 мм
38 0701.148550 Ресивер 50 л
39 0701.148600 Манометр D52, G1/4(D13), 0-14 bar. КПБ 220/50 2019. СМ. 0701.013300 495 р.
40 0701.149550 Клапан предохранительный. GPW- F L 50 -040. КПБ 220/50 2019 166 р.
41 0701.149600 Прессостат. GPW- F L 50 -041. КПБ 220/50 2019. СМ.0701.013100 720 р.
42 0701.013800 Фитинг ниппель удлинённый парный 2R1/4"=d13,157/P1,337/19--30-M-M 153 р.
43 0701.013000 Редуктор давления, 3 отв. (11.5х2, 8.5х1). СМ.0701.025300.0701.044900.0701.056800 394 р.
44 0701.149700 Рапид. GPW- F L 50 -044. КПБ 220/50 2019. СМ. 0701.014800 289 р.
45 0701.148850 Манометр D41, G1/8(D9.8), 0-14 bar. КПБ 220/50 2019. СМ. 0701.013200 0702.125450 360 р.
46 0701.149000 Кабель сетевой 3x1,5 мм2, 1,5 м
47 0701.149050 Воздухопровод трубка отводная. GPW- F L 50 -047. КПБ 220/50 2019 240 р.
48 0701.013900 Клапан обратный G1/8MхG3/8MхG1/2M (под втулку)
49 0701.148900 Воздухопровод приёмный, без радиатора.Резьба d15.3x2.GPW-FL50 -049.КПБ220/50 2019.ЗАМЕНА 0701.020600 306 р.
50 0701.070390 Клапан дренажный G1/4. D.03.32.W050. КПМ 250/75 131 р.
51 0701.149750 Ножка резиновая (присоска). GPW- F L 50 -051. КПБ 220/50 2019. СМ.0701.014300 72 р.
52 0701.149800 Проставка колеса. GPW- F L 50 -052. КПБ 220/50 2019 48 р.
53 0701.149850 Колесо. GPW- F L 50 -053. КПБ 220/50 2019 289 р.
54 0701.149900 Болт колеса. GPW- F L 50 -054. КПБ 220/50 2019 72 р.
55 0701.149950 Шайба D.10 мм
56 0701.150000 Шайба пружинная D.10 мм
57 0701.150050 Гайка M10
58 0701.148650 Электродвигатель с помпой в сборе. КПБ 220/50 2019 13.195 р.
Найдено товаров: 58
1
▲ Наверх
0
8 (925) 663-83-63

Call-центр

пн-вс: 10:00-19:00

НАЙТИ ПО МОДЕЛИ
Введите номер заказа
Введите номер своего заказа, что бы узнать его текущий статус.
Что бы получить доступ к расширенным функциям, пройдите не сложную регистрацию. Зарегистрироваться