Магазин запчастей для бытовой техники - Arlos
Москва
close
Выберите ваш регион
АбаканАлександровАльметьевскАнгарскАрзамасАрмавирАртемАрхангельскАстраханьАчинскБалаковоБалашихаБеларусьБелгородБердскБерезникиБийскБлаговещенскБратскБрянскВеликий НовгородВидноеВладивостокВладикавказВладимирВолгоградВолгодонскВолжскийВологдаВолховВоркутаВоронежВоскресенскВыборгГатчинаГеленджикГрозныйДедовскДербентДзержинскДзержинскийДимитровградДмитровДолгопрудныйДомодедовоДонецкЕвпаторияЕгорьевскЕкатеринбургЕлецЕссентукиЖелезногорскЖелезнодорожныйЖуковскийЗеленоградЗлатоустИвановоИвантеевкаИжевскИркутскИстраЙошкар-ОлаКазаньКалининградКалугаКаменск-УральскийКамышинКаспийскКемеровоКерчьКировКисловодскКлинКовровКоломнаКомсомольск-на-АмуреКопейскКоролёвКостромаКотельникиКрасногорскКраснодарКраснознаменскКрасноярскКурганКурскКызылЛенинск-КузнецкийЛипецкЛобняЛыткариноЛюберцыМагнитогорскМайкопМалаховкаМахачкалаМиассМоскваМурманскМуромМытищиНабережные ЧелныНазраньНальчикНаро-ФоминскНахабиноНаходкаНевинномысскНефтекамскНефтеюганскНижневартовскНижнекамскНижний НовгородНижний ТагилНовокузнецкНовокуйбышевскНовомосковскНовороссийскНовосибирскНовоуральскНовочебоксарскНовочеркасскНовошахтинскНовый УренгойНогинскНорильскНоябрьскОбнинскОдинцовоОктябрьскийОмскОрелОренбургОрехово-ЗуевоОрскПавловский ПосадПензаПервоуральскПермьПетрозаводскПетропавловск-КамчатскийПодольскПрокопьевскПсковПушкиноПятигорскРаменскоеРеутовРостов-на-ДонуРубцовскРыбинскРязаньСакиСалаватСамараСанкт-ПетербургСаранскСаратовСевастопольСеверодвинскСеверскСергиев ПосадСерпуховСимферопольСмоленскСосновый БорСочиСтавропольСтарый ОсколСтерлитамакСтупиноСургутСызраньСыктывкарТаганрогТамбовТверьТихвинТольяттиТомилиноТомскТроицкТулаТюменьУлан-УдэУльяновскУссурийскУсть-ИлимскУфаУхтаФеодосияФрязиноХабаровскХанты-МансийскХасавюртХимкиЧебоксарыЧелябинскЧереповецЧеркесскЧеховЧитаШахтыЩелковоЭлектростальЭлистаЭнгельсЮжно-СахалинскЯкутскЯлтаЯрославль
  • - бесплатно по РФ
    Автоперезвон. Работает по принципу: Вы позвонили на номер, мы сбрасываем звонок и перезваниваем через 3 секунды.
  • - по Москве
  • 8 (925) 663-83-63

Call-центр

пн-вс: 10:00-19:00

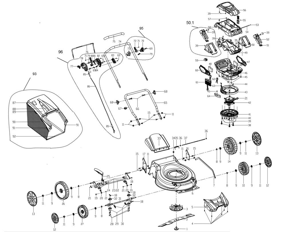
ЗАПЧАСТИ ДЛЯ ГАЗОНОКОСИЛКИ АККУМУЛЯТОРНОЙ ELITECH ЕКА 36БЛ/430

NАртикулНазваниеСрок отгрузкиЦенаКупить
1 0806.115900 Болт фиксации ножа М10 40000000130 ЕКА 36БЛ430(Е1601.001.00) 115 р.
1.1 0806.115920 Шайба 10х44х2б5 h=3,7 (выгнутая) ЕКА 36БЛ430(Е1601.001.00) 48 р.
2 0806.115950 Нож 425мм 30070280130 ЕКА 36БЛ430(Е1601.001.00) 1.556 р.
3 0806.116000 Крыльчатка 40290070130 ЕКА 36БЛ430(Е1601.001.00) 423 р.
4 0806.116050 Винт самонарезающий ST4,8х13 мм
5 0806.116100 Корпус оси колесной передней
6 0806.116150 Дека
7 0806.116200 Тяга соединительная
8 0806.116250 Шайба 13х18х0,41 мм
9 5001.003415 Подшипник шариковый специальный с бортиком 6001-В 401 р.
10 0806.116350 Колесо переднее (левое) 40040020130 ЕКА 36БЛ430(Е1601.001.00) 759 р.
11 0806.116400 Гайка фланцевая M8
12 0806.116450 Колпак переднего колеса 40090010044 ЕКА 36БЛ430(Е1601.001.00) 122 р.
13 0806.116500 Колпак заднего колеса 40110010044 ЕКА 36БЛ430(Е1601.001.00) 196 р.
14 0806.116550 Колесо заднее(левое) 40060030130 ЕКА 36БЛ430(Е1601.001.00) 1.200 р.
15 0806.116600 Болт с квадратным подголовником
16 0806.116650 Кронштейн ручки левый 30220030000 ЕКА 36БЛ430(Е1601.001.00) 72 р.
17 0806.116700 Кронштейн ручки правый 30210010000 ЕКА 36БЛ430(Е1601.001.00) 72 р.
18 0806.116750 Гайка M6
19 0806.116800 Болт M6х12 мм
20 0806.116850 Фиксатор оси 50530000000 ЕКА 36БЛ430(Е1601.001.00) 70 р.
21 0806.116900 Гайка фланцевая M6
22 0806.116950 Ось задняя 30050271130 ЕКА 36БЛ430(Е1601.001.00) 423 р.
23 0806.117000 Вкладыш 40370080130 ЕКА 36БЛ430(Е1601.001.00) 23 р.
24 0806.117050 Болт M6х16 мм
25 0806.117100 Регулятор высоты скоса в сборе 30200030044 ЕКА 36БЛ430(Е1601.001.00) 341 р.
26 0806.117150 Колесо заднее(правое) 40060050130 ЕКА 36БЛ430(Е1601.001.00) 1.200 р.
27 0806.117200 Колесо переднее (правое) 40040030130 ЕКА 36БЛ430(Е1601.001.00) 759 р.
28 0806.117250 Болт M6х55 мм
29 0806.117300 Опора передней оси 40440010130 ЕКА 36БЛ430(Е1601.001.00) 142 р.
30 0806.117350 Пружина оси 50440130000 ЕКА 36БЛ430(Е1601.001.00) 70 р.
31 0806.117400 Ось передняя 30040050130 ЕКА 36БЛ430(Е1601.001.00) 360 р.
32 0806.117450 Пластина опоры передней оси 40410020130 ЕКА 36БЛ430(Е1601.001.00) 77 р.
33 0806.117500 Крышка задняя 40180090130 ЕКА 36БЛ430(Е1601.001.00) 240 р.
34 0806.117550 Заглушка
35 0806.117600 Пружина крышки задней
36 0806.117650 Кольцо стопорное
37 0806.117700 Ось крышки задней
38 0806.117750 Болт M8х35 мм
39 0806.117800 Винт самонарезающий
40 0806.117850 Винт самонарезающий
41 0806.117900 Кронштейн электродвигателя 44010020130 ЕКА 36БЛ430(Е1601.001.00) 2.266 р.
42 0806.117950 Электродвигатель 80060091000 ЕКА 36БЛ430(Е1601.001.00) 7.800 р.
43 0806.118000 Кольцо крепления усиленное 44020000130 ЕКА 36БЛ430(Е1601.001.00) 72 р.
44 0806.116400 Гайка фланцевая M8
45 0806.118100 Винт самонарезающий ST4,2х20 мм
46 0806.118150 Корпус отсека электродвигателя 44040000130 ЕКА 36БЛ430(Е1601.001.00) 600 р.
47 0806.118200 Декоративная накладка левая 44100000044 ЕКА 36БЛ430(Е1601.001.00) 121 р.
48 0806.118250 Фильтр поролоновый (крепление на клей). 45090080000. ЕКА 36БЛ/430 (Е1601.001.00) 101 р.
49 0806.118300 Корпус блока батарей 44050000044 ЕКА 36БЛ430(Е1601.001.00) 360 р.
50 0806.118350 Держатель батареи аккумуляторной
50.1 0806.118370 Держатель батареи аккумуляторной в сборе
51 0806.118400 Гнездо баттареи 44120030130 ЕКА 36БЛ430(Е1601.001.00) 240 р.
52 0806.118450 Кронштейн баттареи 44060020130 ЕКА 36БЛ430(Е1601.001.00) 240 р.
53 0806.118500 Шплинт -В тип 50390010000 ЕКА 36БЛ430(Е1601.001.00) 24 р.
54 0806.118550 Ось крышки
55 0806.118600 Ключ с замком 80130120000 ЕКА 36БЛ430(Е1601.001.00) 336 р.
56 0806.118650 Крышка верхняя 44090000063 ЕКА 36БЛ430(Е1601.001.00) 289 р.
57 0806.118700 Магнит D12. 50590010000. ЕКА 36БЛ/430 (Е1601.001.00) 159 р.
58 0806.118750 Крышка электродвигателя 44080000130 ЕКА 36БЛ430(Е1601.001.00) 481 р.
59 0806.118800 Клемная колодка 4 вых 80090050000 ЕКА 36БЛ430(Е1601.001.00) 101 р.
60 0806.118850 Декоративная накладка правая 44100010044 ЕКА 36БЛ430(Е1601.001.00) 121 р.
61 0806.118900 Контроллер 80190010000 ЕКА 36БЛ430(Е1601.001.00) 3.843 р.
62 0806.118950 Резистор
63 0806.119000 Зажим провода
64 0806.119050 Крышка фиксатора провода
65 0806.119100 Ручка нижняя 10020031031 ЕКА 36БЛ430(Е1601.001.00) 188 р.
66 0806.119150 Болт специальный 50010100000 ЕКА 36БЛ430(Е1601.001.00) 70 р.
67 0806.119200 Крепление провода. 40390010130. ЕКА 36БЛ/430 (Е1601.001.00) 47 р.
68 0806.119250 Гайка барашек 40310010044 ЕКА 36БЛ430(Е1601.001.00) 133 р.
69 0806.119300 Винт самонарезающий ST4,2х16 мм
70 0806.119350 Корпус держателя рычага (левый)
71 0806.119400 Винт 4х12 мм
72 0806.119750 Держатель рычага
73 0806.119450 Корпус держателя рычага (правый)
74 0806.119500 Ручка верхняя 30010150031 ЕКА 36БЛ430(Е1601.001.00) 360 р.
75 0806.119550 Накладка рукоятки
76 0806.119600 Ручка привода 10150050044 ЕКА 36БЛ430(Е1601.001.00) 192 р.
77 0806.119650 Кнопка предохранительная
78 0806.119700 Крышка выключателя (правая)
79 0806.119800 Пружина
80 0806.119850 Выключатель
81 0806.119900 Держатель рычага
82 0806.119950 Крышка выключателя (левая)
83 0806.120000 Накладка нижняя
84 0806.120050 Пружина спусковая
85 0806.120100 Втулка соединительная
86 0806.120150 Провод соединительный
87 0806.120200 Индикатор заполнения. 40340020044. ЕКА 36БЛ/430 (Е1601.001.00) 40 р.
88 0806.120250 Вставка 40180070130 ЕКА 36БЛ430(Е1601.001.00) 72 р.
89 0806.120300 Крышка травосборника 40170040130 ЕКА 36БЛ430(Е1601.001.00) 240 р.
90 0806.120350 Травосборник: нижняя часть 40150150014 ЕКА 36БЛ430(Е1601.001.00) 240 р.
91 0806.120400 Винт самонарезающий ST4,8х13 мм
92 0806.120450 Рамка травосборника 30180050000 ЕКА 36БЛ430(Е1601.001.00) 360 р.
93 0806.120500 Травосборник в сборе. ЕКА 36БЛ/430 (Е1601.001.00) 2.805 р.
95 0806.119470 Кронштейн вспомогательный в сборе ЕКА 36БЛ430(Е1601.001.00) 2.380 р.
96 0806.116300 Блок подключения в сборе ЕКА 36БЛ430(Е1601.001.00) 665 р.
Найдено товаров: 97
1
▲ Наверх
0
8 (925) 663-83-63

Call-центр

пн-вс: 10:00-19:00

НАЙТИ ПО МОДЕЛИ
Введите номер заказа
Введите номер своего заказа, что бы узнать его текущий статус.
Что бы получить доступ к расширенным функциям, пройдите не сложную регистрацию. Зарегистрироваться