Магазин запчастей для бытовой техники - Arlos
Москва
close
Выберите ваш регион
АбаканАлександровАльметьевскАнгарскАрзамасАрмавирАртемАрхангельскАстраханьАчинскБалаковоБалашихаБеларусьБелгородБердскБерезникиБийскБлаговещенскБратскБрянскВеликий НовгородВидноеВладивостокВладикавказВладимирВолгоградВолгодонскВолжскийВологдаВолховВоркутаВоронежВоскресенскВыборгГатчинаГеленджикГрозныйДедовскДербентДзержинскДзержинскийДимитровградДмитровДолгопрудныйДомодедовоДонецкЕвпаторияЕгорьевскЕкатеринбургЕлецЕссентукиЖелезногорскЖелезнодорожныйЖуковскийЗеленоградЗлатоустИвановоИвантеевкаИжевскИркутскИстраЙошкар-ОлаКазаньКалининградКалугаКаменск-УральскийКамышинКаспийскКемеровоКерчьКировКисловодскКлинКовровКоломнаКомсомольск-на-АмуреКопейскКоролёвКостромаКотельникиКрасногорскКраснодарКраснознаменскКрасноярскКурганКурскКызылЛенинск-КузнецкийЛипецкЛобняЛыткариноЛюберцыМагнитогорскМайкопМалаховкаМахачкалаМиассМоскваМурманскМуромМытищиНабережные ЧелныНазраньНальчикНаро-ФоминскНахабиноНаходкаНевинномысскНефтекамскНефтеюганскНижневартовскНижнекамскНижний НовгородНижний ТагилНовокузнецкНовокуйбышевскНовомосковскНовороссийскНовосибирскНовоуральскНовочебоксарскНовочеркасскНовошахтинскНовый УренгойНогинскНорильскНоябрьскОбнинскОдинцовоОктябрьскийОмскОрелОренбургОрехово-ЗуевоОрскПавловский ПосадПензаПервоуральскПермьПетрозаводскПетропавловск-КамчатскийПодольскПрокопьевскПсковПушкиноПятигорскРаменскоеРеутовРостов-на-ДонуРубцовскРыбинскРязаньСакиСалаватСамараСанкт-ПетербургСаранскСаратовСевастопольСеверодвинскСеверскСергиев ПосадСерпуховСимферопольСмоленскСосновый БорСочиСтавропольСтарый ОсколСтерлитамакСтупиноСургутСызраньСыктывкарТаганрогТамбовТверьТихвинТольяттиТомилиноТомскТроицкТулаТюменьУлан-УдэУльяновскУссурийскУсть-ИлимскУфаУхтаФеодосияФрязиноХабаровскХанты-МансийскХасавюртХимкиЧебоксарыЧелябинскЧереповецЧеркесскЧеховЧитаШахтыЩелковоЭлектростальЭлистаЭнгельсЮжно-СахалинскЯкутскЯлтаЯрославль
  • - бесплатно по РФ
    Автоперезвон. Работает по принципу: Вы позвонили на номер, мы сбрасываем звонок и перезваниваем через 3 секунды.
  • - по Москве
  • 8 (925) 663-83-63

Call-центр

пн-вс: 10:00-19:00

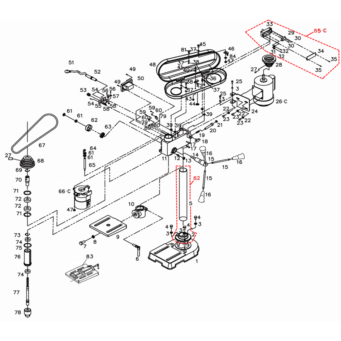
Настольный вертикально-сверлильный станок ВСС-400

NАртикулНазваниеСрок отгрузкиЦенаКупить
1 U526-350-082 Стойка в сборе 1.545 р.
9 U526-350-009 Стол рабочий 1.097 р.
10 U526-350-010 Кронштейн стола 1.040 р.
11 U526-350-011 Корпус
14 U526-350-014 Вал-шестерня
15 U526-350-015 Шток стальной рукоятки подачи
16 U526-350-016 Ручка пластиковая рукоятки подачи
19 U526-350-019 Пружина
20 U526-350-020 Шток натяжителя
21 U526-350-021 Упор резиновый
22 UM04-000-006 Шайба D10 92 р.
24 U526-350-024 Пластина натяжителя
26 U526-350-026-C Электродвигатель асинхронный в сборе 220В 350Вт 4.735 р.
28 U526-350-028-2 Шкив ведущий (фиксатор M8)
44 U526-350-044 Воротник резиновый
46 U526-350-046 Толкатель пластиковый
47 UM05-000-003 Гайка M6 126 р.
48 U526-350-048 Кожух редуктора
52 U524-350-057 Воротник шнура
53 U524-350-059 Воротник шнура
57 U524-350-095 Прижим шнура
61 U526-350-061 Гайка М10х1 низкая
62 U526-350-062 Крышка пружины
63 U526-350-063 Пружина спиральная U526-350-063 для ЗСС-350, ВСС-400 257 р.
64 U526-350-064 Указатель глубины сверления 92 р.
65 U526-350-065 Шпилька 92 р.
66 U526-350-066-C Кожух защитный патрона откидной 1.935 р.
67 U526-350-067 Ремень клиновой K-690 580 р.
67 U526-350-067-2 Ремень клиновой зубчатый XPZ672 515 р.
68 U526-350-068-2 Шкив ведомый (фиксатор M8)
69 UM06-001-022 Кольцо разжимное D21 92 р.
70 U526-350-070 Вал ведомого шкива
75 U526-350-075 Кольцо резиновое
76 U526-350-076 Пиноль 712 р.
77 U526-350-077 Шпиндель 947 р.
78 U526-350-078 Патрон с ключом 1,5-13мм ″SAN OU″ B16
85-С U526-450-090-C Выключатель концевой в сборе 926 р.
Найдено товаров: 37
1
▲ Наверх
0
8 (925) 663-83-63

Call-центр

пн-вс: 10:00-19:00

НАЙТИ ПО МОДЕЛИ
Введите номер заказа
Введите номер своего заказа, что бы узнать его текущий статус.
Что бы получить доступ к расширенным функциям, пройдите не сложную регистрацию. Зарегистрироваться