Магазин запчастей для бытовой техники - Arlos
Москва
close
Выберите ваш регион
АбаканАлександровАльметьевскАнгарскАрзамасАрмавирАртемАрхангельскАстраханьАчинскБалаковоБалашихаБеларусьБелгородБердскБерезникиБийскБлаговещенскБратскБрянскВеликий НовгородВидноеВладивостокВладикавказВладимирВолгоградВолгодонскВолжскийВологдаВолховВоркутаВоронежВоскресенскВыборгГатчинаГеленджикГрозныйДедовскДербентДзержинскДзержинскийДимитровградДмитровДолгопрудныйДомодедовоДонецкЕвпаторияЕгорьевскЕкатеринбургЕлецЕссентукиЖелезногорскЖелезнодорожныйЖуковскийЗеленоградЗлатоустИвановоИвантеевкаИжевскИркутскИстраЙошкар-ОлаКазаньКалининградКалугаКаменск-УральскийКамышинКаспийскКемеровоКерчьКировКисловодскКлинКовровКоломнаКомсомольск-на-АмуреКопейскКоролёвКостромаКотельникиКрасногорскКраснодарКраснознаменскКрасноярскКурганКурскКызылЛенинск-КузнецкийЛипецкЛобняЛыткариноЛюберцыМагнитогорскМайкопМалаховкаМахачкалаМиассМоскваМурманскМуромМытищиНабережные ЧелныНазраньНальчикНаро-ФоминскНахабиноНаходкаНевинномысскНефтекамскНефтеюганскНижневартовскНижнекамскНижний НовгородНижний ТагилНовокузнецкНовокуйбышевскНовомосковскНовороссийскНовосибирскНовоуральскНовочебоксарскНовочеркасскНовошахтинскНовый УренгойНогинскНорильскНоябрьскОбнинскОдинцовоОктябрьскийОмскОрелОренбургОрехово-ЗуевоОрскПавловский ПосадПензаПервоуральскПермьПетрозаводскПетропавловск-КамчатскийПодольскПрокопьевскПсковПушкиноПятигорскРаменскоеРеутовРостов-на-ДонуРубцовскРыбинскРязаньСакиСалаватСамараСанкт-ПетербургСаранскСаратовСевастопольСеверодвинскСеверскСергиев ПосадСерпуховСимферопольСмоленскСосновый БорСочиСтавропольСтарый ОсколСтерлитамакСтупиноСургутСызраньСыктывкарТаганрогТамбовТверьТихвинТольяттиТомилиноТомскТроицкТулаТюменьУлан-УдэУльяновскУссурийскУсть-ИлимскУфаУхтаФеодосияФрязиноХабаровскХанты-МансийскХасавюртХимкиЧебоксарыЧелябинскЧереповецЧеркесскЧеховЧитаШахтыЩелковоЭлектростальЭлистаЭнгельсЮжно-СахалинскЯкутскЯлтаЯрославль
  • - бесплатно по РФ
    Автоперезвон. Работает по принципу: Вы позвонили на номер, мы сбрасываем звонок и перезваниваем через 3 секунды.
  • - по Москве
  • 8 (925) 663-83-63

Call-центр

пн-вс: 10:00-19:00

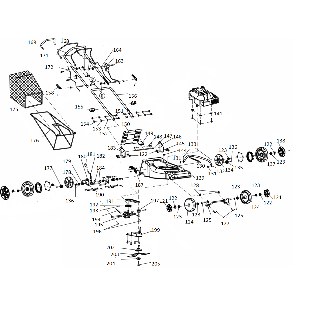
Газонокосилка самоходная бензиновая ЗГКБ-460СТ

Данная модель имеет несколько схем

NАртикулНазваниеСрок отгрузкиЦенаКупить
1 UM03-002-014 Болт M6х36
2 U591-460-002 Шайба пружинная
3 U591-460-003 Планка прижимная
4 UM03-002-005 Болт M6х18
5 U591-510-010 Втулка пластиковая
6 UM04-000-010 Шайба D6
7 U591-510-006 Вал
7A U591-510-007 Кольцо стопорное
8 U591-510-008 Регулятор оборотов центробежный (без вала и колпачка) D46 d6 Z24 176 р.
9 UM04-000-004 Шайба D6 92 р.
10 U591-460-010 Распредвал 1.197 р.
11 U591-510-014 Толкатель 115 р.
12 U591-510-004 Штифт установочный
14 UM05-000-005 Гайка M5 92 р.
15 U591-460-015 Крышка маслозаливной горловины 146 р.
16 U591-510-126 Кольцо уплотнительное D31хd25хh3 85 р.
17 U591-460-017 Маслозаливная горловина 146 р.
18 U591-510-128 Кольцо уплотнительное D25хd20хH2.5 85 р.
19 U591-460-019 Коленвал 4.202 р.
20 U591-460-020-C Шатун в сборе 1.303 р.
21 U591-460-021 Палец поршневой D13х46.5 186 р.
22 U591-460-022 Кольцо стопорное разрезное
23 U591-460-023 Поршень 897 р.
24 U591-460-024 Кольцо маслосъемное в сборе
25 U591-460-025 Кольцо компрессионное
26 U591-460-026 Кольцо компрессионное с фаской
27 U591-510-021 Втулка металлическая
28 U591-460-028 Втулка металлическая
29 U591-460-029 Пружина регулятора скорости
30 U591-460-030 Пластина коромысел в сборе 746 р.
32 U591-460-032 Прокладка картера паронитовая 296 р.
33 U591-460-033 Поддон картера
34 U591-510-020 Сальник D38хd25х7 266 р.
35 U591-510-130 Прокладка сливной пробки латунная
36 U591-510-129 Пробка слива масла
38 UM05-005-003 Гайка М6 (с шайбой с насечкой)
39 U591-460-039 Кулиса регулятора скорости
40 U591-510-027 Винт специальный
41 U591-510-029 Шплинт
42 U591-510-030 Сальник D11хD6хH4 56 р.
43 U591-460-043 Рычаг регулятора скорости
44 U591-460-044 Патрубок вентиляции
45 U591-510-052 Провод массы для магнето 450 мм 176 р.
47 U591-460-047 Кронштейн бензобака
48 U591-460-048 Шайба-амортизатор
49 U591-460-049 Хомут топливопровода
50 U591-460-050 Топливопровод 101 р.
51 U591-510-043 Зажим топливопровода
52 U591-510-046 Хомут топливопровода
53 U591-510-047 Фильтр топливный 213 р.
54 U591-460-054 Болт специальный
55 U591-460-055 Бензобак
56 U591-510-050 Уплотнение-сапун 56 р.
57 U591-510-051 Крышка топливного бака 146 р.
58 U591-510-053 Сетка-сепаратор
59 U591-460-059 Шайба сапуна
60 U591-460-060 Прокладка сапуна резиновая 56 р.
61 U591-460-061 Крышка сапуна
62 U009-620-500 Подшипник шариковый 6205 (52х25х15) 744 р.
63 U591-460-063 Сальник D35хd22х7 146 р.
64 U591-460-064 Маховик 2.775 р.
65 U591-460-065 Крыльчатка
66 U591-460-066 Чашка-храповик
68 U591-460-068 Втулка металлическая
69 U591-460-069 Крышка декоративная
70 U591-460-070 Стартер в сборе 240х200х47 2.162 р.
71 U591-460-071 Кольцо горловины бензобака 70 р.
72 UM03-002-003 Болт M6х25
73 U591-510-073 Выключатель-концевик 221 р.
74 U591-460-074 Механизм тормозной в сборе 445 р.
75 U591-510-075 Втулка металлическая
76 U591-460-076 Кронштейн маслозаливной горловины
77 U591-460-077 Шпилька M6x82мм
78 U591-460-078 Шпилька M6x90мм
79 UM05-000-003 Гайка M6 126 р.
80 U591-460-080 Магнето H=68 h=58 d=30 L=80 1.888 р.
81 U591-460-081 Свеча зажигания F6RTC 480 р.
82 U591-460-082 Головка цилиндра 2.099 р.
83 U591-460-083 Клапан впускной 296 р.
84 U591-460-084 Клапан выпускной 296 р.
85 U591-510-082 Штифт установочный
86 U591-460-086 Прокладка головки цилиндра металлоасбестовая 296 р.
87 U591-460-087 Блок цилиндра 5.404 р.
88 U591-510-080 Экран глушителя 296 р.
89 U591-460-089 Глушитель 1.046 р.
90 U591-460-090 Кожух металлический
91 UM05-004-003 Гайка М6 автогровер (с шайбой)
92 U591-510-087 Шпилька M6x92мм
94 U591-510-088 Колпачок маслосъемный 115 р.
95 U591-510-089 Пружина клапанная 85 р.
96 U591-510-090 Тарелка впускного клапана 85 р.
97 U591-510-091 Тарелка выпускного клапана 85 р.
98 U591-510-092 Сухарик
99 U591-460-099 Штанга толкателя
100 U591-460-100 Направляющая 56 р.
101 U591-510-099 Шпилька М8-М6
102 U591-510-098 Коромысло
103 U591-510-097 Гайка регулировочная М6
105 U591-510-093 Прокладка клапанной крышки паронитовая 85 р.
106 U591-510-095 Крышка клапанная 296 р.
107 U591-460-107 Шпилька M6x105мм
108 U591-460-108 Прокладка теплоизолятора паронитовая 115 р.
109 U591-510-103 Теплоизолятор
110 U591-460-110 Экран карбюратора 91 р.
111 U591-460-111 Карбюратор в сборе 4.502 р.
112 U591-510-106 Уплотнение воздушного фильтра 115 р.
113 U591-460-113 Пружина дроссельной заслонки
114 U591-460-114 Тяга дроссельной заслонки 56 р.
115 U591-460-115 Втулка металлическая
116 U591-460-116 Основание воздушного фильтра
117 U591-460-117 Элемент фильтрующий 140x72x19 ППУ 674 р.
118 U591-460-118 Прокладка крышки воздушного фильтра паронитовая 181 р.
119 U591-460-119 Крышка фильтра
120 U591-460-120-C Комплект поршневых колец 897 р.
121 U591-460-121 Колпак колеса
122 UM05-004-002 Гайка M8 (автогровер с шайбой) #F 92 р.
123 U591-510-133 Подшипник ступицы колеса d12xD28.7 552 р.
124 U591-460-124 Колесо пластиковое D175хd17х49 1.280 р.
125 U591-510-135 Шайба пружинная
126 U591-460-126 Ось передних колес
127 U591-460-127 Скоба фиксации оси
128 U591-510-141 Втулка пластиковая
129 U591-460-129 Корпус в сборе
130 U591-460-130 Пружина штанги
131 UM04-000-005 Шайба D8 92 р.
132 U591-460-132 Штанга соединительная
133 U591-460-133 Шплинт
134 U591-460-134 Щиток пылезащитный
135 U591-510-149 Шестерня ведущая левая 868 р.
136 UM06-000-014 Кольцо стопорное D10
137 U591-460-137 Колесо заднее D200 в сборе
138 U591-510-131 Колпак колеса
139 UM03-000-020 Болт M8х36
140 U591-510-156 Шайба фигурная
144 U591-510-164 Кольцо пластиковое
146 U591-510-166 Кронштейн рукоятки левый
147 U591-510-167 Ось
148 UM04-004-003 Шайба стопорная D14 D6
149 U591-510-169 Пружина крышки задней
150 U591-510-170 Крышка задняя
151 U591-510-171 Винт M8х19 специальный
153 UM04-001-005 Шайба-гровер D8 92 р.
154 UM05-007-004 Гайка колпачковая М8
155 U591-510-175 Прижим троса
156 U591-510-176 Рукоятка нижняя
157 U591-510-177 Штифт D5x20
158 UM05-007-003 Гайка колпачковая М6
159 U591-510-179 Пластина прижимная
160 U591-510-180 Болт M8 специальный
161 UM05-001-008 Гайка М8 автогровер 11 р.
162 UM03-002-004 Болт M6х60
163 U591-460-163 Трос воздушной заслонки 572 р.
164 U591-460-164 Трос сцепления 596 р.
166 UM04-001-004 Шайба-гровер D6 92 р.
168 U591-510-189 Рычаг сцепления 569 р.
169 U591-460-169 Рукоятка верхняя
171 U591-510-191 Рычаг тормоза
172 U591-460-172 Трос тормоза 657 р.
173 UM03-000-036 Болт М6x40
174 U591-510-194 Держатель рукоятки стартера
175 U591-510-195 Травосборник
176 U591-510-196 Каркас травосборника
177 U591-510-197 Шестерня ведущая правая 868 р.
178 U591-510-198 Подшипник ступицы колеса d12.8xD28.7 402 р.
179 U591-510-199 Втулка металлическая
180 U591-460-180 Ось задних колес
181 U591-510-202 Рукоятка
182 U591-460-182 Рычаг регулировки клиренса 296 р.
183 U591-510-204 Кронштейн рукоятки правый
184 U591-510-211 Кольцо стопорное D19
185 U591-510-210 Шайба D35xD22,5
186 UM05-001-004 Гайка M6 (автогровер) 92 р.
187 U591-510-206 Гребёнка регулятора высоты
188 UM01-000-195 Винт M6x19 PH2
189 UM01-000-194 Винт M6x15 PH2
190 U591-460-190 Планка прижимная
191 U591-460-191 Ремень клиновой Z 737 Li 759Ld 445 р.
192 U591-510-219 Шкив редуктора
193 U591-510-218 Штифт трубчатый D5x50
194 U591-460-194 Пружина редуктора
195 U591-510-223 Редуктор в сборе 4.590 р.
196 U591-510-224 Штифт D5x21.5
197 U591-510-225 Шкив приводной
198 UM01-000-047 Винт M6x8 Н3 (цилиндр) #F 92 р.
199 U591-460-199 Кожух пластиковый 622 р.
200 UM02-000-066 Саморез 4x19 PH2 92 р.
201 U591-510-230 Шпонка 32 р.
202 U591-460-202 Кронштейн ножа 100х50х32 695 р.
203 U591-460-203 Нож газонокосилки L460 542 р.
204 U591-510-233 Шайба прижимная D45
Найдено товаров: 190
1
▲ Наверх
0
8 (925) 663-83-63

Call-центр

пн-вс: 10:00-19:00

НАЙТИ ПО МОДЕЛИ
Введите номер заказа
Введите номер своего заказа, что бы узнать его текущий статус.
Что бы получить доступ к расширенным функциям, пройдите не сложную регистрацию. Зарегистрироваться